您好,欢迎访问深圳市湾边贸易有限公司网站
国外工业品代购
深圳市湾边贸易有限公司
TEL:+86 0755 86216601
E-mail:info@wbsell.com

 Shenzhen Coastal Trading Co.,Ltd.

当前位置:
      
德国Siempelkamp进口ATR VM380分离放大器

德国Siempelkamp进口ATR VM380分离放大器

品牌:ATR

型号:VM380

采购热线:0755-86216601      

                 13714972229





¥ 0.00
0.00
数量:
立即购买
加入购物车
  
商品描述

品牌:ATR

型号:VM380

采购热线:0755-86216601      

                 13714972229






德国ATR VM380分离放大器 -深圳湾边原装进口

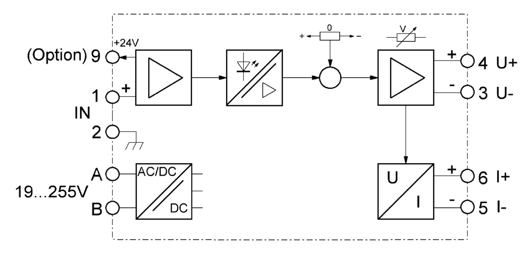
VM380 分离放大器用于单极电气隔离标准信号。输入和输出信号通过外壳前面的 DIP 开关可自由选择。

校准的切换发生在文档中规定的误差范围内。输入信号通过光电隔离实现,并在输出级再次转换为电压和电流信号。

零点和增益可以通过电位器进行调整,以便在现场进行调整。

助可选的传感器供电(VM380S),还可以在现场操作入口处的双导体测量转换器。

ATR VM380分离放大器特点

  • 窄型模具 22.5毫米

  • 3-Wege-Trennung

  • 单极

  • 校准可切换的输入和输出

  • 线性误差 <0,2%

  • 远程控制电源 19V直流-255V交流


Potenzial-Trennverstärker VM 380 – 技术数据

电源电压 DC19…255直流
电源电压 AC24…255V / 48…62Hz
性能测试1W…2.5VA
电压输入 (10V)0(2)…10V / R输入= 50kΩ
电压输入 (5V)0(1)…5V / R输入= 56kΩ
输入电压 (60mV)0…60mV / R输入= 7kΩ
超负荷 (U-输入)最大 50V
电源输入 / 负载0(4)…20mA / 50Ω
过载能力(输入电流)最大50毫安
电压输出 / 负载0(2)…10V / 最大20mA

0(1)…5V / 最大20mA
电源输出 / 负载0(4)…20mA / 最大 500Ω

0(2)…10mA / 最大 500Ω
出口 传感器供电20…24V 直流 / 最大 25 毫安(可选)
测试电压2.5kV,50Hz,1分钟。
传输频率25Hz(可选:2kHz / 5kHz)
线性误差≤± 0,2% 从最终值
负担错误最大 0.02%
温度漂移50 ppm/K
环境温度0…50°C
平均无故障时间159年,符合EN 61709(SN 29500)。**
平均无故障时间(MTTFd)318年,符合EN 61709(SN 29500)。**
连接螺丝夹 2.5mm²
外壳材料隔热材料 灰色
外壳固定TS35快拆装置
外壳尺寸见图
重量110克

** 前提条件:固定地点的运营,环境温度40° C,无通风,连续运行。


ATR VM380分离放大器外壳尺寸




ATR VM7伺服放大器连接计划


源自:SIEMPELKAMP Automation GmbH深圳市湾边贸易有限公司,图文仅供参考。

注:本文章所有涉及到的产品公司名称、商标、LOG0、产品图片、产品说明、产品品牌名称等一切知识产权归对应品牌所有;

在文章仅用于方便产品识别,发布内容如有侵权,请及时联系进行删除。

供应产品
SUPPLY PRODUCTS
        
地点:深圳市龙华新区观澜大道75号田背花园E单元806    ​

电话:86 0755 86216601   

传真:86 0755 86216602   

邮编:518110 

邮箱:info(at)coastaltrading.com.cn